- 1
- 2
- 3
- 4
- 5
获得赏金
5.00元51单片机的火灾报警器项目设计(全套)
资料介绍





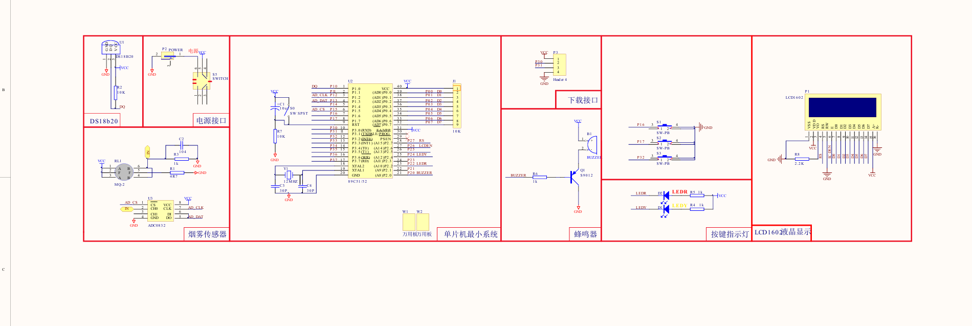
要求:设计一个简单、实用的基于单片机室内火灾报警系统(模拟机),对火灾的实时、准确监测,快速、自动报警,该系统能自动完成对布测点的火情检测即气体温度、浓度,设定一个温度,由液晶显示屏会看到温度变化,如果超过设定温度就会自动报警,报警形式有声音和灯光闪烁,。要求报警时输出一个状态指示信号,用一个LED点亮示意。
任务:
(1)系统的硬件设计:火灾自动报警系统是由火灾报警装置、触发装置、数据采集模块、单片机控制模块、声光报警模块,信号采集及前置放大电路、模数转换电路、单片机控制电路、字符显示电路、声光报警电路和安全保护电路等部分组成;
(2)系统的软件设计:主程序,液晶显示模块,采集模块,报警模块等
(3)最后实现功能如下:
电路用四节五号电池驱动,电压为6V,摁下电源开关,电源接通,LCD显示屏显示设定温度为20度,烟雾浓度为20度。
当检测温度时:把一杯热水放在温度传感器上面,相当于一个热源,显示屏的温度显示会发生变化,达到临界状态时发出报警信号。
当检测烟浓雾度时:用打火机里面的液态丁烷比作可燃性气体,摁下打火机把它靠近烟雾传感器。然后会看到烟雾浓度的变化,达到临界状态时发出语音和光的报警信号
部分文件列表
| 文件名 | 大小 |
| 67.基于51单片机的火灾报警器项目设计.zip | 42M |
- 21ic小能手打赏了5.00元
相关下载
- 2025版建设工程消防验收技术图集 高清彩图新...
- JBT4730.6-2005承压设备无损检测第6部分:涡...
- JBT4730.5-2005承压设备无损检测第5部分:渗...
- JBT4730.4-2005承压设备无损检测第4部分:磁...
- JBT4730.3-2005承压设备无损检测第3部分:超...
- JBT4730.2-2005承压设备无损检测第2部分:射...
- JBT4730.1-2005承压设备无损检测第1部分:通...
- HJ652-2013矿山生态环境保护与恢复治理方案(...
- HJ651-2013矿山生态环境保护与恢复治理技术规...
- HJ450-2008清洁生产标准印制电路板制造业
最新上传
-
21ic小能手 打赏5.00元 1天前
-
21ic小能手 打赏10.00元 1天前
-
21ic小能手 打赏5.00元 1天前
-
21ic小能手 打赏5.00元 1天前
-
21ic小能手 打赏5.00元 1天前
-
21ic小能手 打赏5.00元 3天前
-
21下载积分 打赏1.00元 3天前
用户:德才兼备
-
mulanhk 打赏1.00元 3天前
-
21ic小能手 打赏10.00元 3天前
-
21ic小能手 打赏5.00元 3天前
-
21ic小能手 打赏3.00元 3天前
-
21ic小能手 打赏5.00元 3天前
-
21ic小能手 打赏5.00元 3天前
-
21ic小能手 打赏10.00元 3天前
-
21ic小能手 打赏5.00元 3天前
-
21ic小能手 打赏5.00元 3天前
-
21ic小能手 打赏3.00元 3天前
-
21ic小能手 打赏3.00元 3天前
-
21ic小能手 打赏5.00元 3天前
-
21ic小能手 打赏5.00元 3天前
-
21ic小能手 打赏5.00元 3天前
-
21ic小能手 打赏5.00元 3天前
-
21ic小能手 打赏5.00元 3天前
-
21ic小能手 打赏5.00元 3天前
资料:数控电子负载-CH552
-
21ic小能手 打赏5.00元 3天前
-
21ic小能手 打赏5.00元 3天前
-
21ic下载 打赏310.00元 3天前
用户:zhengdai
-
21ic下载 打赏310.00元 3天前
用户:liqiang9090
-
21ic下载 打赏330.00元 3天前
用户:jh0355
-
21ic下载 打赏210.00元 3天前
用户:小猫做电路
-
21ic下载 打赏240.00元 3天前
用户:jh03551
-
21ic下载 打赏210.00元 3天前
用户:gsy幸运
-
21ic下载 打赏70.00元 3天前
用户:w178191520
-
21ic下载 打赏60.00元 3天前
用户:sun2152
-
21ic下载 打赏80.00元 3天前
用户:江岚
-
21ic下载 打赏60.00元 3天前
用户:xuzhen1
-
21ic下载 打赏20.00元 3天前
用户:kk1957135547
-
21ic下载 打赏40.00元 3天前
用户:潇潇江南
-
21ic下载 打赏20.00元 3天前
用户:w993263495
-
21ic下载 打赏20.00元 3天前
用户:w1966891335




全部评论(0)