- 1
- 2
- 3
- 4
- 5
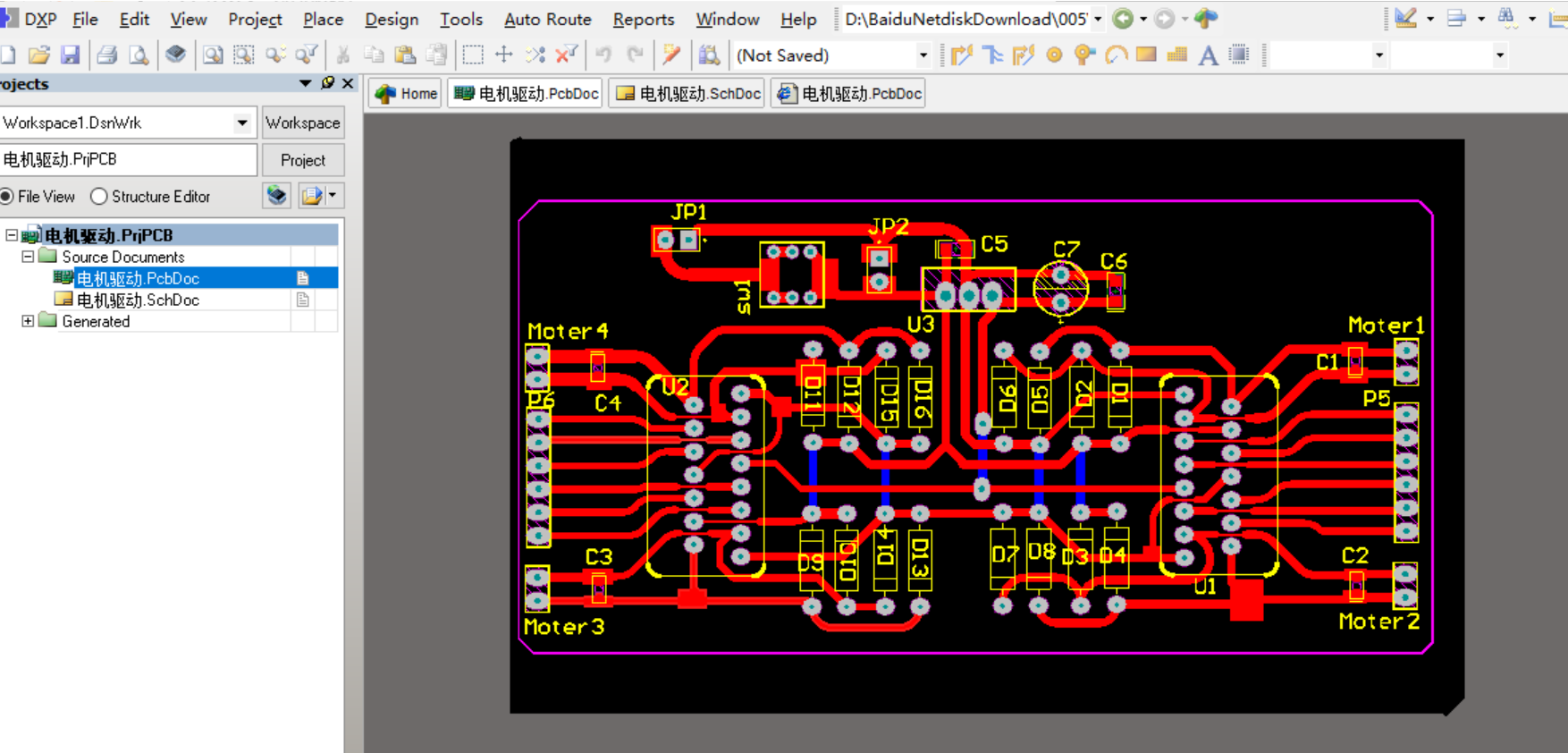
L298N电机驱动板4路端口ALTIUM设计硬件原理图+PCB文件 2层板设计 大小为100 50m
资料介绍
L298N电机驱动板4路端口ALTIUM设计硬件原理图+PCB文件,2层板设计,大小为100*50mm,包括完整的原理图+PCB文件,可以做为你的学习设计参考。


部分文件列表
| 文件名 | 大小 |
| History/ | |
| History/电机驱动.~(1).PrjPCB.Zip | 4KB |
| History/电机驱动.~(1).SchDoc.Zip | |
| 电机驱动.PcbDoc | |
| 电机驱动.PcbDoc.htm | 8KB |
| 电机驱动.PcbDocPreview | |
| 电机驱动.PrjPCB | |
| 电机驱动.PrjPCBStructure | |
| 电机驱动.SchDoc | |
| 电机驱动.SchDocPreview | |
| ... | |
最新上传
-
21ic小能手 打赏5.00元 11分钟前
-
21ic小能手 打赏5.00元 3天前
-
21ic小能手 打赏10.00元 3天前
-
21ic小能手 打赏5.00元 3天前
-
21ic小能手 打赏10.00元 3天前
资料:全差分运算跨导放大器设计
-
zhengdai 打赏1000.00元 3天前
资料:STM32IAP使用说明
-
gsy幸运 打赏955.00元 3天前
资料:STM32IAP使用说明
-
小猫做电路 打赏855.00元 3天前
资料:STM32IAP使用说明
-
21ic小能手 打赏310.00元 3天前
用户:zhengdai
-
21ic小能手 打赏320.00元 3天前
用户:liqiang9090
-
21ic小能手 打赏310.00元 3天前
用户:gsy幸运
-
21ic小能手 打赏270.00元 3天前
用户:jh03551
-
21ic小能手 打赏240.00元 3天前
用户:小猫做电路
-
21ic小能手 打赏210.00元 3天前
用户:w178191520
-
21ic小能手 打赏90.00元 3天前
用户:kkfjenui
-
21ic小能手 打赏60.00元 3天前
用户:liao6
-
21ic小能手 打赏60.00元 3天前
用户:w1966891335
-
21ic小能手 打赏90.00元 3天前
用户:jh0355
-
21ic小能手 打赏30.00元 3天前
用户:xuzhen1
-
21ic小能手 打赏30.00元 3天前
用户:sun2152
-
21ic小能手 打赏50.00元 3天前
用户:xzxbybd
-
21ic小能手 打赏50.00元 3天前
用户:mulanhk
-
21ic小能手 打赏20.00元 3天前
用户:x15580286248
-
21ic小能手 打赏15.00元 3天前
用户:w993263495
-
21ic小能手 打赏30.00元 3天前
用户:玉落彼岸
-
21ic小能手 打赏20.00元 3天前
用户:铁蛋锅
-
21ic小能手 打赏10.00元 3天前
用户:zmcch
-
21ic小能手 打赏10.00元 3天前
-
21ic下载 打赏1.00元 3天前
用户:zzcyolo
-
21ic下载 打赏1.00元 3天前
用户:玉落彼岸
-
21ic小能手 打赏10.00元 3天前
-
21ic小能手 打赏10.00元 3天前
-
21ic小能手 打赏10.00元 3天前
-
sdqdjqk 打赏1.00元 3天前
-
21ic小能手 打赏10.00元 3天前
-
wisdomlin 打赏1.00元 3天前
-
21ic小能手 打赏10.00元 3天前
-
799902619 打赏1.00元 3天前
资料:新立新龙软件
-
21ic小能手 打赏10.00元 3天前
-
21ic小能手 打赏10.00元 3天前




全部评论(0)