- 1
- 2
- 3
- 4
- 5
INA226 高精度电流 电压 功率检测模块项目
资料介绍
INA226 高精度电流 / 电压 / 功率监测模块(INA226 High-Precision Monitoring Module)项目总结
一、项目概况与核心定位
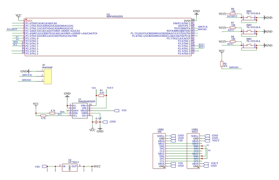
本项目是一款基于 TI INA226 高精度传感器的开源多参数监测模块,遵循开源硬件协议,核心聚焦 “高精度电参数测量 + I2C 便捷通信 + 多场景适配 + 开源可定制”,专为电路调试、电源系统监测、嵌入式项目功耗测试、电子工程课程设计等场景设计。
它以 TI INA226 为核心检测芯片,搭配通用 MCU 与可视化显示 / 数据传输模块,解决传统电参数监测工具 “精度低、操作繁琐、数据无法记录、适配性窄” 的痛点 ——INA226 具备 16 位 ADC 精度与 ±0.1% 电压测量误差,支持宽范围电压(0-36V)、电流(取决于分流电阻)、功率、能量同步监测,且通过 I2C 接口快速对接各类主控。适用于电子工程师(电路调试 / 功耗优化)、电子信息 / 自动化专业学生(传感器应用 / 数据采集课程设计)、DIY 爱好者(电源监测 / 设备功耗统计),硬件设计精简、焊接难度低(无精密封装),核心元器件易采购,支持快速复刻与二次开发。



二、硬件系统解析(聚焦 “高精度 + 易集成”)
1. 核心硬件配置(按功能模块分类,突出 INA226 核心特性)
(1)核心检测模块(项目核心:INA226 高精度传感器)
检测芯片:TI INA226 双向电流 / 电压 / 功率监测芯片,核心参数:
测量范围:
电压(BUS):0-36V(DC),支持双向电压监测;
电流(SHUNT):±81.92A(取决于分流电阻,默认推荐 0.1Ω/2W,对应满量程 8A);
功率:自动计算(功率 = 电压 × 电流),能量累计(积分计算);
精度指标:电压测量精度 ±0.1%(典型值),电流测量精度 ±0.5%(配合 0.1% 精度分流电阻),采样分辨率 16 位,测量稳定性高(温漂≤50ppm/℃);
通信接口:I2C 接口(支持 100kHz/400kHz 速率),I2C 地址可通过 A0/A1 引脚配置(最多支持 16 个设备级联,地址 0x40-0x4F);
关键特性:内置分流电阻采样放大电路、数据平均滤波、可编程采样率(125μs-8.192ms),支持过流 / 过压 / 功率超限报警中断输出。
部分文件列表
| 文件名 | 大小 |
| INA226_高精度电流,电压,功率检测模块项目.zip | 1M |
最新上传
-
21ic小能手 打赏5.00元 14小时前
-
21ic下载 打赏310.00元 16小时前
用户:gsy幸运
-
21ic下载 打赏310.00元 16小时前
用户:小猫做电路
-
21ic下载 打赏360.00元 16小时前
用户:mulanhk
-
21ic下载 打赏230.00元 16小时前
用户:江岚
-
21ic下载 打赏230.00元 16小时前
用户:潇潇江南
-
21ic下载 打赏210.00元 16小时前
用户:zhengdai
-
21ic下载 打赏160.00元 16小时前
用户:lanmukk
-
21ic下载 打赏130.00元 16小时前
用户:jh03551
-
21ic下载 打赏110.00元 16小时前
用户:liqiang9090
-
21ic下载 打赏110.00元 16小时前
用户:jh0355
-
21ic小能手 打赏5.00元 16小时前
-
21ic小能手 打赏5.00元 16小时前
-
21ic小能手 打赏5.00元 16小时前
-
21ic小能手 打赏5.00元 16小时前
-
21ic下载 打赏20.00元 16小时前
用户:w178191520
-
21ic下载 打赏30.00元 16小时前
用户:sun2152
-
21ic下载 打赏30.00元 16小时前
用户:xuzhen1
-
21ic下载 打赏20.00元 16小时前
用户:w993263495
-
21ic下载 打赏15.00元 16小时前
用户:kk1957135547
-
21ic下载 打赏15.00元 16小时前
用户:eaglexiong
-
21ic下载 打赏15.00元 16小时前
用户:w1966891335
-
21ic下载 打赏25.00元 16小时前
用户:烟雨
-
21ic下载 打赏75.00元 16小时前
用户:有理想666
-
21ic下载 打赏10.00元 16小时前
用户:x15580286248
-
21ic下载 打赏40.00元 16小时前
用户:xzxbybd
-
21ic下载 打赏10.00元 16小时前
-
21ic下载 打赏10.00元 16小时前
用户:sfgplj123
-
21ic下载 打赏10.00元 16小时前
用户:dadengpao
-
21ic小能手 打赏10.00元 3天前
资料:自己编写的CRC校验工具
-
21ic小能手 打赏5.00元 3天前
-
21ic小能手 打赏10.00元 3天前
-
21ic小能手 打赏10.00元 3天前
-
shenzhenliugang 打赏5.00元 3天前
-
21ic小能手 打赏5.00元 3天前
-
21ic小能手 打赏5.00元 3天前
-
21ic小能手 打赏10.00元 3天前
-
21ic小能手 打赏5.00元 3天前
-
21ic小能手 打赏5.00元 3天前
-
21ic小能手 打赏5.00元 3天前




全部评论(0)