- 1
- 2
- 3
- 4
- 5
获得赏金
5.00元5 路继电器触摸开关(验证板)项目
资料介绍
5 路继电器触摸开关(验证板)项目总结
一、项目概况与核心定位
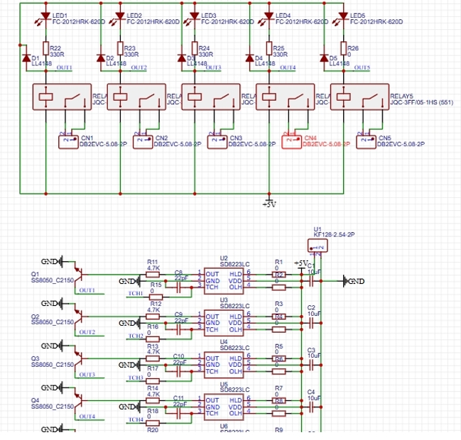
本项目是一款基于 SD8223LC 触摸 IC 的开源 5 路继电器触摸控制验证板,核心聚焦 “触摸触发 + 多路继电器控制”,适用于消费电子控制、自动化设备开关、DIY 智能控制等场景。它以低成本触摸 IC 替代机械开关,支持 5 路独立控制,兼具灵活性与实用性,是触摸控制方案的验证与入门级应用载体。


二、硬件系统解析
1. 核心模块与元器件选型
核心控制 IC:SD8223LC 触摸 IC(商品编号 C96516),作为触摸检测与继电器驱动核心,简化触摸控制逻辑,无需复杂编程;
继电器模块:5 路 FF/05-1Hs 继电器,每路独立受控,通过触摸信号触发通断,适配各类外部设备控制;
辅助电路组件:
驱动元件:G8050 三极管(C2150 型号),用于放大触摸 IC 输出信号,驱动继电器动作;
保护元件:LL4148 二极管,起到反向截止保护,避免电路反向电流损坏元件;
接口端子:DB2EVC-5.08-2P 接线端子,共 5 组(对应 5 路继电器输出),方便外部设备接线;
供电与调节:
供电电压:DC5V,适配常规 USB 或直流电源;
灵敏度调节:通过 0-75pF 电容调整触摸灵敏度,适配不同使用场景需求。
三、功能与技术指标
1. 核心功能
5 路独立触摸控制:每路触摸触发对应继电器通断,实现 5 个外部设备的独立开关控制;
触摸灵敏度可调:通过电容配置调整触摸响应灵敏度,适配不同介质(如塑料面板、金属片);
输出模式可配置:通过跳线选择两种输出参数 —— 输出电平(高电平 / 低电平)、输出状态(同步 / 保持),适配不同负载需求;
方案验证属性:作为触摸控制继电器的验证板,可直接用于小功率设备控制,或作为原型拓展至复杂系统。
2. 技术指标
供电电压:DC5V;
控制路数:5 路独立继电器;
触摸 IC:SD8223LC(商品编号 C96516);
接口规格:DB2EVC-5.08-2P 接线端子;
适用场景:小功率设备开关控制、自动化控制原型、DIY 智能设备。
部分文件列表
| 文件名 | 大小 |
| 5_路继电器触摸开关(验证板)项目.zip | 17M |
- 21ic小能手打赏了5.00元
最新上传
-
21ic下载 打赏310.00元 3天前
用户:gsy幸运
-
21ic下载 打赏310.00元 3天前
用户:小猫做电路
-
21ic下载 打赏330.00元 3天前
用户:jh0355
-
21ic下载 打赏270.00元 3天前
用户:jh03551
-
21ic下载 打赏230.00元 3天前
用户:liqiang9090
-
21ic下载 打赏210.00元 3天前
用户:zhengdai
-
21ic下载 打赏60.00元 3天前
用户:sun2152
-
21ic下载 打赏60.00元 3天前
用户:xuzhen1
-
21ic下载 打赏60.00元 3天前
用户:w1966891335
-
21ic下载 打赏60.00元 3天前
用户:w178191520
-
21ic下载 打赏60.00元 3天前
用户:xzxbybd
-
21ic下载 打赏60.00元 3天前
用户:铁蛋锅
-
21ic下载 打赏20.00元 3天前
用户:w993263495
-
21ic下载 打赏20.00元 3天前
用户:kk1957135547
-
21ic下载 打赏20.00元 3天前
用户:x15580286248
-
21ic下载 打赏10.00元 3天前
用户:MATT222
-
21ic下载 打赏10.00元 3天前
用户:BG2XTO
-
21ic下载 打赏15.00元 3天前
用户:mulanhk
-
21ic小能手 打赏5.00元 3天前
-
21ic小能手 打赏5.00元 3天前
-
21ic小能手 打赏10.00元 3天前
-
21ic小能手 打赏5.00元 3天前
-
21ic小能手 打赏10.00元 3天前
资料:全差分运算跨导放大器设计
-
zhengdai 打赏1000.00元 3天前
资料:STM32IAP使用说明
-
gsy幸运 打赏955.00元 3天前
资料:STM32IAP使用说明
-
小猫做电路 打赏855.00元 3天前
资料:STM32IAP使用说明
-
21ic小能手 打赏310.00元 3天前
用户:zhengdai
-
21ic小能手 打赏320.00元 3天前
用户:liqiang9090
-
21ic小能手 打赏310.00元 3天前
用户:gsy幸运
-
21ic小能手 打赏270.00元 3天前
用户:jh03551
-
21ic小能手 打赏240.00元 3天前
用户:小猫做电路
-
21ic小能手 打赏210.00元 3天前
用户:w178191520
-
21ic小能手 打赏90.00元 3天前
用户:kkfjenui
-
21ic小能手 打赏60.00元 3天前
用户:liao6
-
21ic小能手 打赏60.00元 3天前
用户:w1966891335
-
21ic小能手 打赏90.00元 3天前
用户:jh0355
-
21ic小能手 打赏30.00元 3天前
用户:xuzhen1
-
21ic小能手 打赏30.00元 3天前
用户:sun2152
-
21ic小能手 打赏50.00元 3天前
用户:xzxbybd
-
21ic小能手 打赏50.00元 3天前
用户:mulanhk




全部评论(0)