- 1
- 2
- 3
- 4
- 5
获得赏金
10.00元全向轮 FPV 三轮车 V2 项目
资料介绍
全向轮 FPV 三轮车 V2 项目总结
一、项目概况与核心定位
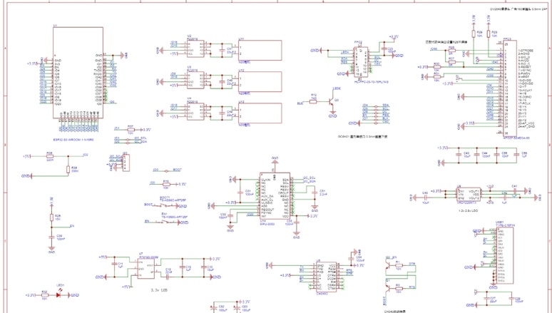
本项目是一款基于 ESP32-S3 主控的开源 FPV(第一视角)全向轮三轮车,属于 “星火计划 2023” 获奖项目,遵循 GPL 3.0 开源协议。它以等边三角形全向轮结构为基础,集成 FPV 实时图传与多端控制功能,支持手机 APP、Python 键鼠两种控制方式,同时兼容 Arduino、CircuitPython/MicroPython 编程环境,是电子 DIY 爱好者、嵌入式开发学习者的创意实践平台,适用于第一视角遥控、全向运动技术验证、编程教育等场景。


二、硬件系统解析

1. 核心硬件配置
主控单元:ESP32-S3-WROOM-1-N16R8 模块(16MB Flash+8MB OPI PSRAM),双核 240MHz,需启用 PSRAM 保障摄像头视频流处理,采用双核分工(Core 0 跑视频流,Core 1 跑运动运算),避免功能冲突。
运动模块:
驱动结构:3 个 N20 直流电机(6V/500 转 / 分钟),搭配 RZ2018 电机驱动 IC,按等边三角形布局,通过全向轮实现任意方向平移、旋转运动;
FPV 与显示模块:
摄像头:OV2640 广角 160 度模块(24P 接口),支持实时图传,视频流基于 ESP32 官方摄像头代码优化;
屏幕:GC9A01 图形屏(0.3mm 翻盖下接 FPC),目前功能待完善,可屏蔽相关代码避免占用电机驱动管脚。
三、功能与技术指标
1. 核心功能
全向运动能力:依托全向轮结构,实现任意方向平移、原地旋转,不受姿态限制,运动丝滑;
FPV 实时图传:OV2640 摄像头采集画面,通过 WiFi UDP 协议传输至控制端,实现第一视角遥控;
多端控制方式:
手机 APP:基于 uni-app 开发,提供安卓 APK(IOS 兼容性未验证),支持图形化操作;
Python 键鼠控制:通过pygame_opencv.py脚本,电脑端键鼠模拟遥控,类似 FPS 游戏操作;
多编程环境兼容:支持 Arduino IDE 图形化编程,同时兼容 CircuitPython/MicroPython,可拓展传感器、自定义运动逻辑;
模块化设计:摄像头、屏幕、电机驱动模块相对独立,可按需屏蔽非必要功能(如屏幕)简化系统。
部分文件列表
| 文件名 | 大小 |
| 全向轮_FPV_三轮车_V2_项目.zip | 36M |
- 21ic小能手打赏了10.00元
最新上传
-
21ic小能手 打赏5.00元 1天前
-
21ic下载 打赏310.00元 1天前
用户:gsy幸运
-
21ic下载 打赏310.00元 1天前
用户:小猫做电路
-
21ic下载 打赏360.00元 1天前
用户:mulanhk
-
21ic下载 打赏230.00元 1天前
用户:江岚
-
21ic下载 打赏230.00元 1天前
用户:潇潇江南
-
21ic下载 打赏210.00元 1天前
用户:zhengdai
-
21ic下载 打赏160.00元 1天前
用户:lanmukk
-
21ic下载 打赏130.00元 1天前
用户:jh03551
-
21ic下载 打赏110.00元 1天前
用户:liqiang9090
-
21ic下载 打赏110.00元 1天前
用户:jh0355
-
21ic小能手 打赏5.00元 1天前
-
21ic小能手 打赏5.00元 1天前
-
21ic小能手 打赏5.00元 1天前
-
21ic小能手 打赏5.00元 1天前
-
21ic下载 打赏20.00元 1天前
用户:w178191520
-
21ic下载 打赏30.00元 1天前
用户:sun2152
-
21ic下载 打赏30.00元 1天前
用户:xuzhen1
-
21ic下载 打赏20.00元 1天前
用户:w993263495
-
21ic下载 打赏15.00元 1天前
用户:kk1957135547
-
21ic下载 打赏15.00元 1天前
用户:eaglexiong
-
21ic下载 打赏15.00元 1天前
用户:w1966891335
-
21ic下载 打赏25.00元 1天前
用户:烟雨
-
21ic下载 打赏75.00元 1天前
用户:有理想666
-
21ic下载 打赏10.00元 1天前
用户:x15580286248
-
21ic下载 打赏40.00元 1天前
用户:xzxbybd
-
21ic下载 打赏10.00元 1天前
-
21ic下载 打赏10.00元 1天前
用户:sfgplj123
-
21ic下载 打赏10.00元 1天前
用户:dadengpao
-
21ic小能手 打赏10.00元 3天前
资料:自己编写的CRC校验工具
-
21ic小能手 打赏5.00元 3天前
-
21ic小能手 打赏10.00元 3天前
-
21ic小能手 打赏10.00元 3天前
-
shenzhenliugang 打赏5.00元 3天前
-
21ic小能手 打赏5.00元 3天前
-
21ic小能手 打赏5.00元 3天前
-
21ic小能手 打赏10.00元 3天前
-
21ic小能手 打赏5.00元 3天前
-
21ic小能手 打赏5.00元 3天前
-
21ic小能手 打赏5.00元 3天前




全部评论(0)