- 1
- 2
- 3
- 4
- 5
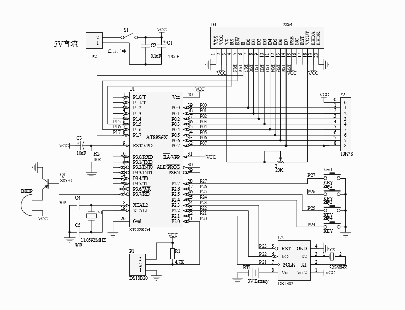
51单片机12864万年历(多功能菜单、多风格主界面)
资料介绍
51单片机12864万年历(多功能菜单、多风格主界面),附PCB电路图,12864万年历全部制作资料,以下为原理截图:
部分文件列表
| 文件名 | 大小 |
| 51单片机12864万年历(多功能菜单、多风格主界面)/12864万年历全套资料.7z | 3629KB |
| 51单片机12864万年历(多功能菜单、多风格主界面)/电路和PCB.rar | 3151KB |
| 51单片机12864万年历(多功能菜单、多风格主界面)/说明.docx | |
| 51单片机12864万年历(多功能菜单、多风格主界面)/ |
相关下载
- BMS curve,.m文件,用simulink打开
- STM32L1系列开发板程序-HAL版本照相机实验
- STM32F7系列开发板程序- FreeRTOS队列集操作...
- STM32F7系列开发板程序- FreeRTOS队列集模拟...
- STM32F7系列开发板程序- FreeRTOS二值信号量...
- STM32F7系列开发板程序- FreeRTOS计数型信号...
- STM32F7系列开发板程序- FreeRTOS列表项的插...
- STM32F7系列开发板程序- FreeRTOS内存管理实...
- STM32F7系列开发板程序- FreeRTOS任务创建与...
- STM32F7系列开发板程序- FreeRTOS任务创建与...
最新上传
-
21ic小能手 打赏10.00元 3天前
-
21ic小能手 打赏10.00元 3天前
-
21ic小能手 打赏10.00元 3天前
-
sdqdjqk 打赏1.00元 3天前
-
21ic小能手 打赏10.00元 3天前
-
wisdomlin 打赏1.00元 3天前
-
21ic小能手 打赏10.00元 3天前
-
799902619 打赏1.00元 3天前
资料:新立新龙软件
-
21ic小能手 打赏10.00元 3天前
-
21ic小能手 打赏10.00元 3天前
-
21ic小能手 打赏10.00元 3天前
-
21ic小能手 打赏10.00元 3天前
-
21ic小能手 打赏10.00元 3天前
-
21ic小能手 打赏10.00元 3天前
-
21ic小能手 打赏10.00元 3天前
-
21ic小能手 打赏10.00元 3天前
-
21ic小能手 打赏10.00元 3天前
-
21ic小能手 打赏10.00元 3天前
-
21ic小能手 打赏10.00元 3天前
-
21ic小能手 打赏10.00元 3天前
资料:智谱开源AutoGLM
-
21ic下载 打赏310.00元 3天前
用户:jh0355
-
21ic下载 打赏310.00元 3天前
用户:zhengdai
-
21ic下载 打赏310.00元 3天前
用户:gsy幸运
-
21ic下载 打赏230.00元 3天前
用户:小猫做电路
-
21ic下载 打赏210.00元 3天前
用户:w178191520
-
21ic下载 打赏60.00元 3天前
用户:jh03551
-
21ic下载 打赏90.00元 3天前
用户:铁蛋锅
-
21ic下载 打赏80.00元 3天前
用户:xzxbybd
-
21ic下载 打赏60.00元 3天前
用户:kk1957135547
-
21ic下载 打赏60.00元 3天前
用户:w1966891335
-
21ic下载 打赏60.00元 3天前
用户:w993263495
-
21ic下载 打赏60.00元 3天前
用户:sun2152
-
21ic下载 打赏60.00元 3天前
用户:xuzhen1
-
21ic下载 打赏60.00元 3天前
用户:liao6
-
21ic下载 打赏70.00元 3天前
用户:liqiang9090
-
21ic下载 打赏70.00元 3天前
用户:mulanhk
-
21ic下载 打赏20.00元 3天前
用户:x15580286248
-
21ic下载 打赏30.00元 3天前
用户:玉落彼岸
-
21ic下载 打赏5.00元 3天前
用户:hnygpx
-
21ic下载 打赏10.00元 3天前
用户:vikey_zhu




全部评论(0)