- 1
- 2
- 3
- 4
- 5
获得赏金
10.00元PN532读写卡器(支持NFC RFID)项目完整资料包
资料介绍
一、 项目简介
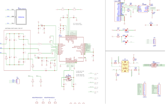
本项目是一款高性价比 RFID 读写器,核心基于 PN532 芯片开发,可兼容 M1、UID、CUID、FUID 等主流 RFID 卡片,及带 NFC 功能的手环、手机等设备,是门禁卡解决方案的优选方案。电路与 PCB 天线参考 Adafruit 开源项目,在 CH340E 芯片价格翻倍的市场环境下,通过优化设计将总成本控制在 16 元以内(核心成本为 10 元包邮的 PN532 芯片),显著低于市面同功能成品(50-60 元)。
因初期对 PN532 供电模式认知不足,后续经多次打板测试(依托嘉立创免费打板政策实现多轮验证),平衡扩展应用与一体化设计,最终形成稳定版本。先后完成两次迭代:改进供电方案(新增 XC6206 3.3V LDO),解决手机连接 “电压异常” 及部分 PN532 供电不足问题;设计蓝牙模块适配版本(未打板验证),通过开关切换 USB / 蓝牙控制,预留外接电池接口。
二、 项目参数说明
兼容卡片 / 设备类型:支持 M1 卡、UID 卡、CUID 卡、FUID 卡,及带 NFC 功能的手环、手机等设备;
上位机兼容性:可与 MifareOneTool 1.7 版本及各类开源上位机软件配合,实现 RFID 卡片读写操作。
尺寸规格:与标准银行卡尺寸完全一致(约 85.6mm×53.98mm),便携性强;
接口配置:采用 TYPE-C 接口,支持通过 AC 线、CC 线与电脑连接;
供电方案:搭载 XC6206 3.3V LDO 稳压芯片,为 PN532 芯片及 CH340E 芯片提供稳定供电,避免电压异常问题;
核心芯片:主控制芯片为 PN532(RFID/NFC 核心),USB 转串口芯片为 CH340E(实现与上位机的串口通信);
扩展设计:
板载 DIP 开关:可手动屏蔽板载 CH340E 串口,切换至外部控制模式;
预留 UART 接口:支持连接外部主机、蓝牙模块等设备,扩展功能场景;
测试点布局:引出 PN532 芯片主要测试 / DEBUG 针脚,方便外接测试设备或调试工具。
首次发布版:支持电平转换,可应对外部设备接口电压与板载芯片界面电压不一致问题

完整的项目说明在说明文档里
部分文件列表
| 文件名 | 大小 |
| PN532读写卡器(支持NFC、RFID).zip | 16M |
- 21ic小能手打赏了10.00元
最新上传
-
21ic小能手 打赏5.00元 4小时前
-
21ic小能手 打赏5.00元 3天前
-
21ic小能手 打赏10.00元 3天前
-
21ic小能手 打赏5.00元 3天前
-
21ic小能手 打赏10.00元 3天前
资料:全差分运算跨导放大器设计
-
zhengdai 打赏1000.00元 3天前
资料:STM32IAP使用说明
-
gsy幸运 打赏955.00元 3天前
资料:STM32IAP使用说明
-
小猫做电路 打赏855.00元 3天前
资料:STM32IAP使用说明
-
21ic小能手 打赏310.00元 3天前
用户:zhengdai
-
21ic小能手 打赏320.00元 3天前
用户:liqiang9090
-
21ic小能手 打赏310.00元 3天前
用户:gsy幸运
-
21ic小能手 打赏270.00元 3天前
用户:jh03551
-
21ic小能手 打赏240.00元 3天前
用户:小猫做电路
-
21ic小能手 打赏210.00元 3天前
用户:w178191520
-
21ic小能手 打赏90.00元 3天前
用户:kkfjenui
-
21ic小能手 打赏60.00元 3天前
用户:liao6
-
21ic小能手 打赏60.00元 3天前
用户:w1966891335
-
21ic小能手 打赏90.00元 3天前
用户:jh0355
-
21ic小能手 打赏30.00元 3天前
用户:xuzhen1
-
21ic小能手 打赏30.00元 3天前
用户:sun2152
-
21ic小能手 打赏50.00元 3天前
用户:xzxbybd
-
21ic小能手 打赏50.00元 3天前
用户:mulanhk
-
21ic小能手 打赏20.00元 3天前
用户:x15580286248
-
21ic小能手 打赏15.00元 3天前
用户:w993263495
-
21ic小能手 打赏30.00元 3天前
用户:玉落彼岸
-
21ic小能手 打赏20.00元 3天前
用户:铁蛋锅
-
21ic小能手 打赏10.00元 3天前
用户:zmcch
-
21ic小能手 打赏10.00元 3天前
-
21ic下载 打赏1.00元 3天前
用户:zzcyolo
-
21ic下载 打赏1.00元 3天前
用户:玉落彼岸
-
21ic小能手 打赏10.00元 3天前
-
21ic小能手 打赏10.00元 3天前
-
21ic小能手 打赏10.00元 3天前
-
sdqdjqk 打赏1.00元 3天前
-
21ic小能手 打赏10.00元 3天前
-
wisdomlin 打赏1.00元 3天前
-
21ic小能手 打赏10.00元 3天前
-
799902619 打赏1.00元 3天前
资料:新立新龙软件
-
21ic小能手 打赏10.00元 3天前
-
21ic小能手 打赏10.00元 3天前




全部评论(0)