- 1
- 2
- 3
- 4
- 5
项目资料:无线会议麦克风-MKF360
资料介绍
项目总结:无线会议麦克风-MKF360



项目名称 中文:无线会议麦克风-MKF360 英文:Wireless Conference Microphone-MKF360
核心目的 设计一款全向麦克风+扬声器一体设备,支持多种连接方式,实现高质量会议语音采集与播放 特别强调回声消除功能,适合无线/有线会议场景下的清晰通话
硬件核心规格
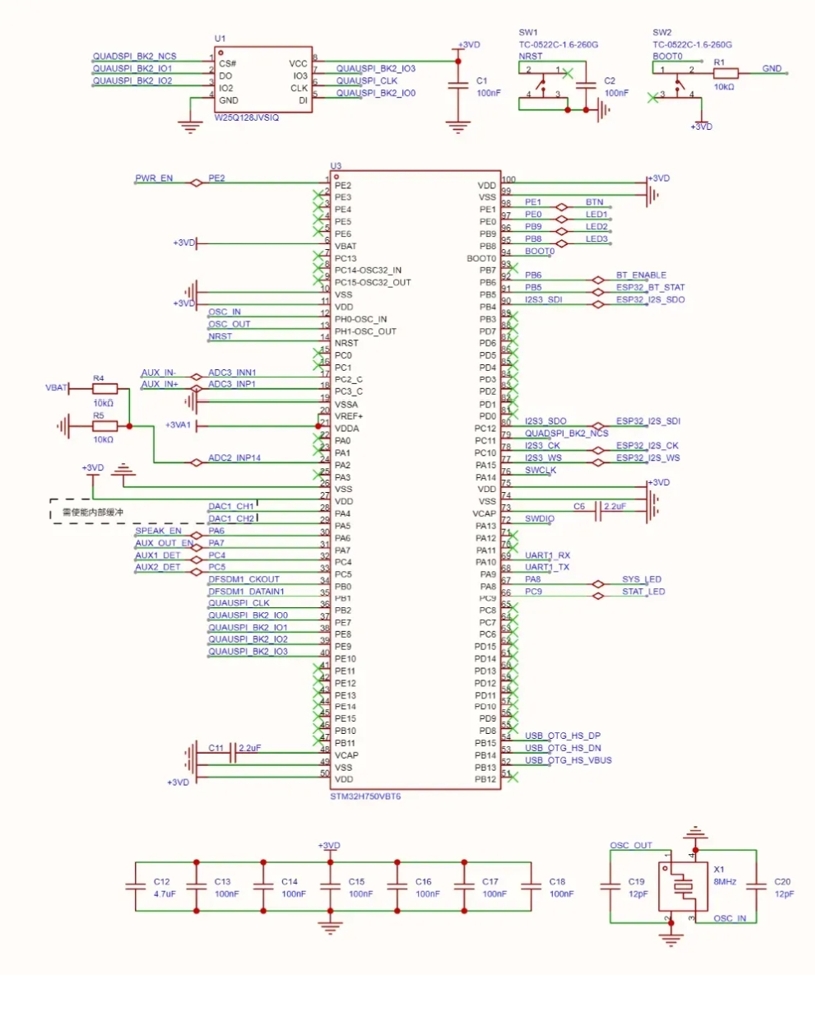
主控:STM32H750VBT6
音频规格:最高支持48KHz采样率、16Bit位深
通信/接口:
USB UAC(USB音频类设备)
AUX(模拟音频输入/输出)
Bluetooth 4.2(支持A2DP Sink + HFP Client模式)
主要功能与特性
全向拾音 + 扬声器输出一体设计
支持回声消除(AEC,演示视频已提供)
多模式切换:USB有线音频、AUX模拟、蓝牙无线(音频接收 + 免提通话)
固件支持不同模式(有专用蓝牙模式固件)
开源内容(GPL 3.0许可)
固件文件:MKF360.hex(通用固件)、MKF360_BT.bin(蓝牙专用固件)
完整归档:MKF360.7z(分卷压缩包,共6部分)
演示视频:回声消除演示.mp4
暂无:原理图、PCB文件、BOM清单、3D外壳模型等硬件设计文件
典型使用场景 线上/线下会议的无线麦克风解决方案 电脑/手机的免提通话设备(通过蓝牙HFP) 蓝牙音频接收 + 语音输入的桌面一体机 需要高质量回声消除的语音会议DIY方案
独特亮点 基于高性能STM32H7系列实现多模(USB+AUX+蓝牙)会议麦克风 内置回声消除算法,提升会议通话清晰度 支持48K/16Bit高音质音频采集与播放 目前以固件+演示为主的开源分享,适合已有硬件基础的用户二次开发或移植
部分文件列表
| 文件名 | 大小 |
| 项目总结:无线会议麦克风-MKF360.zip | 34M |
最新上传
-
21ic小能手 打赏5.00元 14小时前
-
21ic小能手 打赏10.00元 14小时前
-
21ic小能手 打赏5.00元 14小时前
-
21ic小能手 打赏10.00元 14小时前
资料:全差分运算跨导放大器设计
-
zhengdai 打赏1000.00元 3天前
资料:STM32IAP使用说明
-
gsy幸运 打赏955.00元 3天前
资料:STM32IAP使用说明
-
小猫做电路 打赏855.00元 3天前
资料:STM32IAP使用说明
-
21ic小能手 打赏310.00元 3天前
用户:zhengdai
-
21ic小能手 打赏320.00元 3天前
用户:liqiang9090
-
21ic小能手 打赏310.00元 3天前
用户:gsy幸运
-
21ic小能手 打赏270.00元 3天前
用户:jh03551
-
21ic小能手 打赏240.00元 3天前
用户:小猫做电路
-
21ic小能手 打赏210.00元 3天前
用户:w178191520
-
21ic小能手 打赏90.00元 3天前
用户:kkfjenui
-
21ic小能手 打赏60.00元 3天前
用户:liao6
-
21ic小能手 打赏60.00元 3天前
用户:w1966891335
-
21ic小能手 打赏90.00元 3天前
用户:jh0355
-
21ic小能手 打赏30.00元 3天前
用户:xuzhen1
-
21ic小能手 打赏30.00元 3天前
用户:sun2152
-
21ic小能手 打赏50.00元 3天前
用户:xzxbybd
-
21ic小能手 打赏50.00元 3天前
用户:mulanhk
-
21ic小能手 打赏20.00元 3天前
用户:x15580286248
-
21ic小能手 打赏15.00元 3天前
用户:w993263495
-
21ic小能手 打赏30.00元 3天前
用户:玉落彼岸
-
21ic小能手 打赏20.00元 3天前
用户:铁蛋锅
-
21ic小能手 打赏10.00元 3天前
用户:zmcch
-
21ic小能手 打赏10.00元 3天前
-
21ic下载 打赏1.00元 3天前
用户:zzcyolo
-
21ic下载 打赏1.00元 3天前
用户:玉落彼岸
-
21ic小能手 打赏10.00元 3天前
-
21ic小能手 打赏10.00元 3天前
-
21ic小能手 打赏10.00元 3天前
-
sdqdjqk 打赏1.00元 3天前
-
21ic小能手 打赏10.00元 3天前
-
wisdomlin 打赏1.00元 3天前
-
21ic小能手 打赏10.00元 3天前
-
799902619 打赏1.00元 3天前
资料:新立新龙软件
-
21ic小能手 打赏10.00元 3天前
-
21ic小能手 打赏10.00元 3天前
-
21ic小能手 打赏10.00元 3天前




全部评论(0)